ООО "Индастри Дивижн" является официальным представителем АО "Универсал - контактные сети" и ООО «ТД «Элекс-Энерго» (Санкт-Петербург) и предлагает к поставке широкий перечень узлов на жестких поперечинах контактной сети: кронштейны крепления фиксирующих тросов, консольные и фиксаторные стойки, подвесы, надставки, кронштейны на ригелях.
Вся предлагаемая к поставке продукция разработана для применения в современных модификациях контактных сетей КС-160, КС-200 и КС-250 постоянного и переменного тока.
Кронштейн крепления фиксирующего троса
Предлагаем к поставке кронштейны крепления одного и двух фиксирующих тросов (тип КТФ-1, КТФ-2, 2КТФ-1, 2КТФ-2)
Стойка консольная и фиксаторная
Предлагаем к поставки стойки:
- консольная промежуточная для раздельного крепления консоли и фиксатора;
- консольная промежуточная для крепления консоли;
- консольная переходная для раздельного крепления консоли и фиксатора;
- консольная переходная;
- фиксаторная промежуточная без подкоса;
- фиксаторная промежуточная с подкосом;
- фиксаторная переходная без подкоса;
- фиксаторная переходная с подкосом.
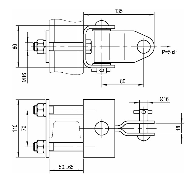
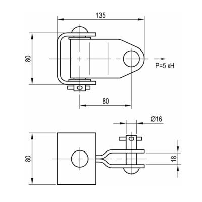
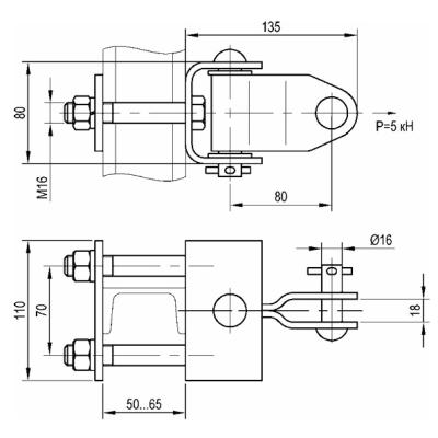
Ушко шарнирное для стоек
Предлагаем к поставке ушко шарнирное для консольных и фиксаторных стоек
Подвесы
Предлагаем к поставке подвесы (на уголке, на двух изоляторах, треугольный)
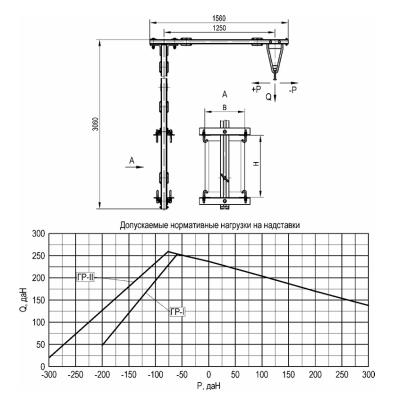
Надставка
Предлагаем к поставке надставки (на ригель, Г-образная, Т-образная)
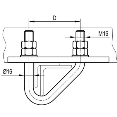
Узел крепления к ригелю
Предлагаем к поставке узлы крепления к ригелю (в том числе с прокладкой)
Кронштейн шлейфов на ригеле
Предлагаем к поставке кронштейны шлейфов на ригеле (чертежи УКС 03182, УКС 03182-01)

/00017-prew.jpg)



